ISO 9001 & 14001 Zertifiziert
Kontakt
ISO 9001 & 14001 Zertifiziert

STÜWE Einflächenkupplung 08-100

Stüwe Einflächenkupplung 08-100Kraftvoll und vielseitig

Elektromagnetische Kupplungen sind schaltbare Maschinenelemente, die Bewegungen präzise trennen oder verbinden. Durch das Anlegen elektrischer Energie entsteht ein Magnetfeld, das den Kraftschluss zwischen zwei Komponenten aufbaut oder löst. Dadurch lassen sich Antriebsabläufe sehr schnell und mit hoher Wiederholgenauigkeit steuern. Das Ergebnis ist eine exakte Positionierung, reproduzierbare Schaltvorgänge und eine verlässliche Kraftübertragung, selbst bei hohen Taktraten und dauerhaftem Betrieb.

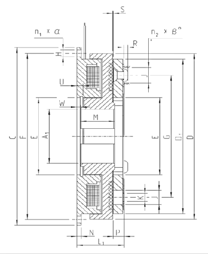
Technische Zeichnung

Stüwe Einflächenkupplung 08-100Kraftvoll und vielseitig

Elektromagnetische Kupplungen sind schaltbare Maschinenelemente, die Bewegungen präzise trennen oder verbinden. Durch das Anlegen elektrischer Energie entsteht ein Magnetfeld, das den Kraftschluss zwischen zwei Komponenten aufbaut oder löst. Dadurch lassen sich Antriebsabläufe sehr schnell und mit hoher Wiederholgenauigkeit steuern. Das Ergebnis ist eine exakte Positionierung, reproduzierbare Schaltvorgänge und eine verlässliche Kraftübertragung, selbst bei hohen Taktraten und dauerhaftem Betrieb.

Technische Zeichnung

Datenblatt Einflächenkupplung 08-100

Datenblatt Einflächenkupplung 08-100
Datenblatt Einflächenkupplung 08-100

Betriebszeichnungen Einflächenkupplung 08-100

Betriebszeichnungen Einflächenkupplung 08-100-01
Betriebszeichnungen Einflächenkupplung 08-100-05
Betriebszeichnungen Einflächenkupplung 08-100-09
Betriebszeichnungen Einflächenkupplung 08-100-17
Betriebszeichnungen Einflächenkupplung 08-100-01
Betriebszeichnungen Einflächenkupplung 08-100-05
Betriebszeichnungen Einflächenkupplung 08-100-09
Betriebszeichnungen Einflächenkupplung 08-100-17
Betriebszeichnungen Einflächenkupplung 08-100-25
Betriebszeichnungen Einflächenkupplung 0008-100-33
Betriebszeichnungen Einflächenkupplung 08-100-25
Betriebszeichnungen Einflächenkupplung 0008-100-33

Interesse mit uns zu arbeiten?Kontaktieren Sie Uns