ISO 9001 & 14001 Zertifiziert
Kontakt
ISO 9001 & 14001 Zertifiziert

STÜWE Einflächenbremse 09-102

Stüwe Einflächenbremse 09-102Kraftvoll und vielseitig

Elektromagnetische Bremsen sind schaltbare Maschinenelemente, die Bewegungen präzise stoppen oder halten. Durch das Anlegen elektrischer Energie entsteht ein Magnetfeld, das den Kraftschluss zwischen zwei Komponenten aufbaut oder löst. Dadurch lassen sich Antriebsabläufe sehr schnell und mit hoher Wiederholgenauigkeit steuern. Das Ergebnis sind exakte Positionierungen, reproduzierbare Schaltvorgänge und eine verlässliche Haltekraft, selbst bei hohen Taktraten und dauerhaftem Betrieb.

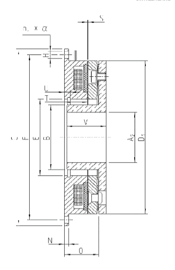
Technische Zeichnung

Stüwe Einflächenbremse 09-102Kraftvoll und vielseitig

Elektromagnetische Bremsen sind schaltbare Maschinenelemente, die Bewegungen präzise stoppen oder halten. Durch das Anlegen elektrischer Energie entsteht ein Magnetfeld, das den Kraftschluss zwischen zwei Komponenten aufbaut oder löst. Dadurch lassen sich Antriebsabläufe sehr schnell und mit hoher Wiederholgenauigkeit steuern. Das Ergebnis sind exakte Positionierungen, reproduzierbare Schaltvorgänge und eine verlässliche Haltekraft, selbst bei hohen Taktraten und dauerhaftem Betrieb.

Technische Zeichnung

Datenblatt Einflächenbremse 09-102

Datenblatt Einflächenbremse 09-102
Datenblatt Einflächenbremse 09-102

Betriebszeichnungen Einflächenbremse 09-102

Betriebszeichnungen Einflächenbremse 0009-102-01
Betriebszeichnungen Einflächenbremse 0009-102-09
Betriebszeichnungen Einflächenbremse 0009-102-13
Betriebszeichnungen Einflächenbremse 0009-102-17
Betriebszeichnungen Einflächenbremse 0009-102-01
Betriebszeichnungen Einflächenbremse 0009-102-09
Betriebszeichnungen Einflächenbremse 0009-102-13
Betriebszeichnungen Einflächenbremse 0009-102-17
Betriebszeichnungen Einflächenbremse 0009-102-25
Betriebszeichnungen Einflächenbremse 0009-102-33
Betriebszeichnungen Einflächenbremse 0009-102-25
Betriebszeichnungen Einflächenbremse 0009-102-33

Interesse mit uns zu arbeiten?Kontaktieren Sie Uns